Hướng dẫn đọc sơ đồ mạch điện xe nâng người 

Xe nâng người ngày càng trở nên hiện đại và phức tạp với hệ thống điều khiển điện tử tinh vi. Để chẩn đoán, sửa chữa và bảo dưỡng xe nâng người hiệu quả các lỗi phát sinh, việc hiểu sơ đồ mạch điện xe nâng như sơ đồ bướm ga, sơ đồ béc-phun, sơ đồ hệ thống điều khiể, sơ đồ cuộn dây đánh lửa vô cùng quan trọng. Bài viết dưới đây, Manlift sẽ hướng dẫn bạn đọc hiểu các loại sơ đồ mạch điện xe nâng phổ biến và giải mã những ký hiệu quan trọng, giúp bạn tự tin hơn trong việc xử lý các vấn đề kỹ thuật. 

Có Những Sơ Đồ Mạch Điện Xe Nâng Nào?

Sơ đồ hệ thống điều khiển 

  • Đây là loại sơ đồ mạch điện xe nâng bao quát nhất, hiển thị các bộ phận điện tử trung tâm như ECU (Engine Control Unit) hoặc VCU (Vehicle Control Unit), các cảm biến đầu vào (sensor), và các bộ chấp hành đầu ra (actuator).
  • Nó cho thấy cách các tín hiệu từ cảm biến (ví dụ: vị trí cần nâng, áp suất thủy lực, tốc độ di chuyển) được gửi về bộ điều khiển trung tâm, và cách bộ điều khiển này xử lý thông tin để gửi lệnh điều khiển đến các motor, van solenoid hay các bộ phận khác.
  • Sơ đồ này là cốt lõi để hiểu cách xe nâng người hoạt động và cách các hệ thống tương tác với nhau.

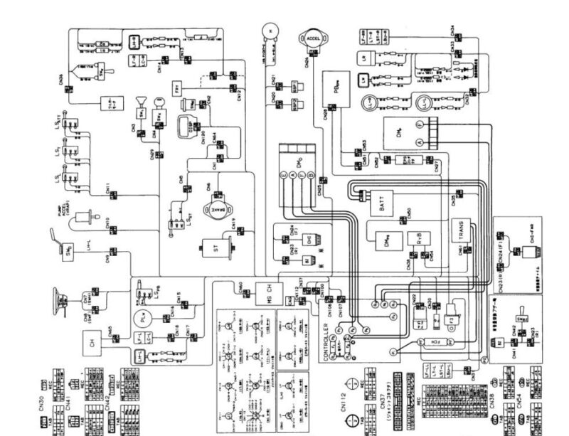
Sơ đồ béc phun 

Sơ đồ béc phun
Sơ đồ béc phun
  • Sơ đồ này chuyên biệt cho các dòng xe nâng người sử dụng động cơ đốt trong (diesel hoặc xăng).
  • Nó chi tiết hóa mạch điện điều khiển các béc phun nhiên liệu. Sơ đồ sẽ hiển thị cách ECU điều khiển thời điểm và lượng nhiên liệu phun vào buồng đốt thông qua các tín hiệu điện đến từng béc phun.
  • Việc hiểu sơ đồ mạch điện xe nâng này giúp chẩn đoán các vấn đề liên quan đến hệ thống nhiên liệu như xe không nổ máy, hao xăng/dầu bất thường, hoặc động cơ chạy không đều giúp bảo dưỡng xe nâng điện hiệu quả

Sơ đồ bướm ga 

  • Cũng liên quan đến động cơ đốt trong, sơ đồ bướm ga mô tả mạch điện của hệ thống điều khiển bướm ga (throttle body), bao gồm cảm biến vị trí bướm ga (TPS), motor điều khiển bướm ga điện tử (đối với xe có bướm ga điện tử – ETC), và các kết nối tới ECU.
  • Sơ đồ này quan trọng để chẩn đoán các vấn đề về công suất động cơ, phản ứng của chân ga, hoặc lỗi chế độ không tải. Đây là một phần quan trọng của sơ đồ mạch điện xe nâng liên quan đến hiệu suất động cơ.

Sơ đồ cuộn dây đánh lửa 

  • Đặc biệt quan trọng đối với xe nâng người chạy động cơ xăng.
  • Sơ đồ này hiển thị mạch điện từ ECU hoặc module đánh lửa đến các cuộn dây đánh lửa (ignition coils), giúp tạo ra tia lửa điện tại bugi để đốt cháy hỗn hợp hòa khí.
  • Việc đọc được sơ đồ này giúp xác định các lỗi liên quan đến hệ thống đánh lửa như xe khó nổ, bỏ máy (mis-fire), hoặc động cơ rung giật.

Cách Đọc Sơ Đồ Mạch Điện Xe Nâng Chi Tiết

Để đọc hiểu sơ đồ mạch điện xe nâng một cách hiệu quả, bạn cần nắm vững các nguyên tắc và ký hiệu cơ bản:

Bước 1: Hiểu Các Ký Hiệu Cơ Bản

  • Nguồn điện: Thường là ký hiệu pin/ắc quy (đối với xe điện), máy phát điện (đối với xe diesel/xăng), hoặc các đường dây nguồn (V+, GND).
  • Dây dẫn: Các đường thẳng thể hiện dây điện. Thường có ghi chú màu sắc (ví dụ: RD – Red, BK – Black, BL – Blue…) và tiết diện dây.
  • Điểm nối/Ngã ba: Các dấu chấm đen đậm thể hiện điểm nối giữa các dây. Nếu các đường dây giao nhau nhưng không có dấu chấm, nghĩa là chúng đi qua nhau mà không nối.
  • Công tắc (Switch): Ký hiệu công tắc thường có hai hoặc nhiều chân, biểu thị trạng thái đóng/mở (ví dụ: công tắc bật/tắt, công tắc giới hạn, công tắc áp suất).
  • Relay (Rơ-le): Ký hiệu cuộn dây và các tiếp điểm. Rơ-le dùng để điều khiển mạch điện công suất lớn bằng tín hiệu điều khiển nhỏ.
  • Motor (Động cơ): Ký hiệu hình tròn có chữ M bên trong (DC motor, AC motor).
  • Solenoid Valve (Van điện từ): Ký hiệu cuộn dây (thường là hình chữ nhật hoặc hình vuông) được điều khiển bằng điện để mở/đóng dòng chảy thủy lực hoặc khí nén.
  • Sensor (Cảm biến): Ký hiệu đa dạng tùy loại (cảm biến áp suất, nhiệt độ, vị trí, tốc độ…). Thường có một phần thể hiện nguyên lý hoạt động.
  • Fuse (Cầu chì): Ký hiệu hình chữ nhật hoặc đường cong có đoạn dây đứt. Ghi rõ giá trị cường độ dòng điện.
  • Diode (Đi-ốt): Ký hiệu mũi tên và gạch ngang, cho phép dòng điện chạy một chiều.
  • LED (Đèn LED): Ký hiệu đi-ốt phát sáng.
  • Bảng Điều Khiển/ECU (Electronic Control Unit): Thường được vẽ dưới dạng một khối hình chữ nhật lớn với nhiều chân kết nối, mỗi chân có số hiệu và chức năng cụ thể.
  • Điểm tiếp địa (Ground/Mass): Ký hiệu ba đường thẳng song song giảm dần, hoặc một hình tam giác.

Bước 2: Tìm Hiểu Bảng Chú Giải

  • Mỗi sơ đồ mạch điện xe nâng sẽ có một bảng chú giải riêng. Đừng bao giờ bỏ qua bảng này!
  • Bảng chú giải giải thích tất cả các ký hiệu, viết tắt, và màu sắc dây dẫn được sử dụng trong sơ đồ.

Bước 3: Xác Định Nguồn Điện và Đường Dây Chính

Xác định nguồn điện và nguồn dây chính của sơ đồ mạch điện xe nâng người
Xác định nguồn điện và nguồn dây chính của sơ đồ mạch điện xe nâng người
  • Bắt đầu từ nguồn điện (ắc quy/pin) và lần theo các đường dây chính cấp nguồn cho các hệ thống.
  • Xác định các điểm nối đất (ground). Hệ thống điện phải có đường về đất để hoàn thành mạch.

Bước 4: Theo Dõi Dòng Chảy Của Dòng Điện/Tín Hiệu

  • Chọn một mạch cụ thể mà bạn muốn chẩn đoán (ví dụ: mạch điều khiển nâng hạ).
  • Theo dõi đường đi của dòng điện từ nguồn qua các công tắc, rơ-le, cảm biến, đến bộ chấp hành (motor, solenoid valve).
  • Chú ý đến các điều kiện để mạch được đóng/mở (ví dụ: công tắc phải đóng, rơ-le phải được cấp điện).

Bước 5: Sử Dụng Các Công Cụ Chẩn Đoán

  • Khi đọc sơ đồ mạch điện xe nâng để chẩn đoán, hãy sử dụng đồng hồ vạn năng (multimeter) để kiểm tra điện áp, thông mạch và điện trở tại các điểm trên sơ đồ.
  • Kết hợp với kinh nghiệm thực tế và sách hướng dẫn sửa chữa xe nâng người của nhà sản xuất.

Bước 6: Ghi Chú và Phân Tích Logic

  • Khi gặp các mạch phức tạp, hãy ghi chú lại các giá trị đo được hoặc các trạng thái của linh kiện.
  • Phân tích logic hoạt động: “Nếu A đóng, và B được cấp điện, thì C sẽ hoạt động.

Kết Luận

Việc thành thạo kỹ năng đọc sơ đồ mạch điện xe nâng là một tài sản vô giá đối với bất kỳ ai làm việc trong lĩnh vực bảo trì và vận hành thiết bị này. Nó không chỉ giúp bạn nhanh chóng xác định và sửa chữa xe nâng điện mà còn nâng cao hiểu biết về cấu tạo và nguyên lý hoạt động của xe, từ đó tối ưu hóa hiệu suất và đảm bảo an toàn. Một chiếc sơ đồ mạch điện xe nâng trong tay người hiểu biết chính là công cụ chẩn đoán mạnh mẽ nhất.

Manlift không chỉ là nhà cung cấp hàng đầu các dòng xe nâng người hiện đại, chất lượng cao mà còn cam kết hỗ trợ khách hàng trong việc nắm vững kiến thức kỹ thuật. Chúng tôi hiểu rằng việc đọc hiểu sơ đồ mạch điện xe nâng là nền tảng để duy trì hoạt động liên tục của thiết bị.

Hãy trang bị cho mình kiến thức vững chắc để làm chủ mọi vấn đề kỹ thuật. Liên hệ với Manlift ngay hôm nay để nhận tư vấn về các dòng xe nâng người và hỗ trợ kỹ thuật chuyên sâu!

Đánh giá post

Để lại một bình luận

Email của bạn sẽ không được hiển thị công khai. Các trường bắt buộc được đánh dấu *